HOME >> Services >> Partners >> NSK Bearing
FAG Bearing
IKO Bearing
INA Bearing
KOYO Bearing
NACHI Bearing
NSK Bearing
NTN Bearing
SKF Bearing
TIMKEN Bearing

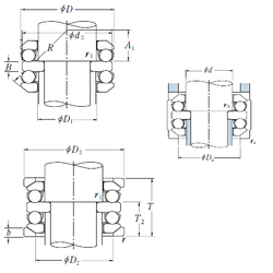
Bearing number : 54206U
Size (mm) : 30x52x37
Brand : NSK
Bore Diameter (mm) : 30
Outer Diameter (mm) : 52
Width (mm) : 37
d - 30 mm
d2 - 25 mm
D - 52 mm
T - 37 mm
T2 - 22 mm
b - 5,5 mm
d3 - 52 mm
r min. - 0,6 mm
r1 min. - 0,3 mm
A1 - 20 mm
B - 7 mm
D1 - 32 mm
D2 - 42 mm
D3 - 55 mm
R - 45 mm
Da max. - 42 mm
ra max. - 0,6 mm
rb max. - 0,3 mm
Weight - 0,345 Kg
Basic dynamic load rating (C) - 29,5 kN
Basic static load rating (C0) - 58 kN
(Grease) Lubrication Speed - 3200 r/min
(Oil) Lubrication Speed - 5000 r/min