HOME >> Services >> Partners >> NSK Bearing
FAG Bearing
IKO Bearing
INA Bearing
KOYO Bearing
NACHI Bearing
NSK Bearing
NTN Bearing
SKF Bearing
TIMKEN Bearing

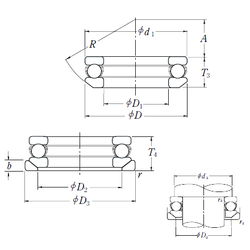
Bearing number : 53424XU
Size (mm) : 120x250x118
Brand : NSK
Bore Diameter (mm) : 120
Outer Diameter (mm) : 250
Width (mm) : 118
d - 120 mm
D - 250 mm
T - 118 mm
b - 32 mm
d1 - 245 mm
r min. - 4 mm
A - 70 mm
D1 - 123 mm
D2 - 185 mm
D3 - 260 mm
R - 200 mm
da min. - 196 mm
Da max. - 174 mm
ra max. - 3 mm
Weight - 31,3 Kg
Basic dynamic load rating (C) - 480 kN
Basic static load rating (C0) - 1400 kN
(Grease) Lubrication Speed - 600 r/min
(Oil) Lubrication Speed - 900 r/min