HOME >> Services >> Partners >> NSK Bearing
FAG Bearing
IKO Bearing
INA Bearing
KOYO Bearing
NACHI Bearing
NSK Bearing
NTN Bearing
SKF Bearing
TIMKEN Bearing

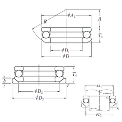
Bearing number : 53415U
Size (mm) : 75x160x75
Brand : NSK
Bore Diameter (mm) : 75
Outer Diameter (mm) : 160
Width (mm) : 75
d - 75 mm
D - 160 mm
T - 75 mm
b - 21 mm
d1 - 160 mm
r min. - 2 mm
A - 42 mm
D1 - 78 mm
D2 - 115 mm
D3 - 165 mm
R - 125 mm
da min. - 125 mm
Da max. - 110 mm
ra max. - 2 mm
Weight - 7,58 Kg
Basic dynamic load rating (C) - 254 kN
Basic static load rating (C0) - 560 kN
(Grease) Lubrication Speed - 950 r/min
(Oil) Lubrication Speed - 1400 r/min