HOME >> Services >> Partners >> NSK Bearing
FAG Bearing
IKO Bearing
INA Bearing
KOYO Bearing
NACHI Bearing
NSK Bearing
NTN Bearing
SKF Bearing
TIMKEN Bearing

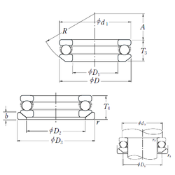
Bearing number : 53306U
Size (mm) : 30x60x25
Brand : NSK
Bore Diameter (mm) : 30
Outer Diameter (mm) : 60
Width (mm) : 25
d - 30 mm
D - 60 mm
T - 25 mm
b - 7 mm
d1 - 60 mm
r min. - 1 mm
A - 22 mm
D1 - 32 mm
D2 - 45 mm
D3 - 62 mm
R - 50 mm
da min. - 48 mm
Da max. - 42 mm
ra max. - 1 mm
Weight - 0,336 Kg
Basic dynamic load rating (C) - 43 kN
Basic static load rating (C0) - 78,5 kN
(Grease) Lubrication Speed - 2800 r/min
(Oil) Lubrication Speed - 4300 r/min