HOME >> Services >> Partners >> NSK Bearing
FAG Bearing
IKO Bearing
INA Bearing
KOYO Bearing
NACHI Bearing
NSK Bearing
NTN Bearing
SKF Bearing
TIMKEN Bearing

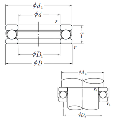
Bearing number : 51248X
Size (mm) : 240x340x78
Brand : NSK
Bore Diameter (mm) : 240
Outer Diameter (mm) : 340
Width (mm) : 78
d - 240 mm
D - 340 mm
T - 78 mm
d1 - 335 mm
r min. - 2,1 mm
D1 - 244 mm
da min. - 299 mm
Da max. - 281 mm
ra max. - 2 mm
Weight - 23,7 Kg
Basic dynamic load rating (C) - 420 kN
Basic static load rating (C0) - 1650 kN
(Grease) Lubrication Speed - 560 r/min
(Oil) Lubrication Speed - 850 r/min