HOME >> Services >> Partners >> NSK Bearing
FAG Bearing
IKO Bearing
INA Bearing
KOYO Bearing
NACHI Bearing
NSK Bearing
NTN Bearing
SKF Bearing
TIMKEN Bearing

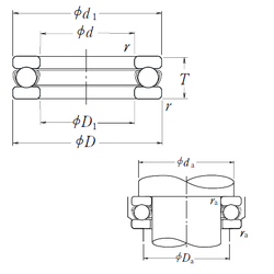
Bearing number : 51416
Size (mm) : 80x170x68
Brand : NSK
Bore Diameter (mm) : 80
Outer Diameter (mm) : 170
Width (mm) : 68
d - 80 mm
D - 170 mm
T - 68 mm
d1 - 170 mm
r min. - 2,1 mm
D1 - 83 mm
da min. - 133 mm
Da max. - 117 mm
ra max. - 2 mm
Weight - 7,21 Kg
Basic dynamic load rating (C) - 272 kN
Basic static load rating (C0) - 620 kN
(Grease) Lubrication Speed - 900 r/min
(Oil) Lubrication Speed - 1300 r/min