HOME >> Services >> Partners >> NSK Bearing
FAG Bearing
IKO Bearing
INA Bearing
KOYO Bearing
NACHI Bearing
NSK Bearing
NTN Bearing
SKF Bearing
TIMKEN Bearing

Bearing number : 51428X
Size (mm) : 140x280x112
Brand : NSK
Bore Diameter (mm) : 140
Outer Diameter (mm) : 280
Width (mm) : 112
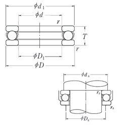
d - 140 mm
D - 280 mm
T - 112 mm
d1 - 275 mm
r min. - 4 mm
D1 - 144 mm
da min. - 222 mm
Da max. - 198 mm
ra max. - 3 mm
Weight - 34,7 Kg
Basic dynamic load rating (C) - 550 kN
Basic static load rating (C0) - 1750 kN
(Grease) Lubrication Speed - 530 r/min
(Oil) Lubrication Speed - 800 r/min