HOME >> Services >> Partners >> NSK Bearing
FAG Bearing
IKO Bearing
INA Bearing
KOYO Bearing
NACHI Bearing
NSK Bearing
NTN Bearing
SKF Bearing
TIMKEN Bearing

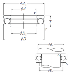
Bearing number : 51136X
Size (mm) : 180x225x34
Brand : NSK
Bore Diameter (mm) : 180
Outer Diameter (mm) : 225
Width (mm) : 34
d - 180 mm
D - 225 mm
T - 34 mm
d1 - 222 mm
r min. - 1,1 mm
D1 - 183 mm
da min. - 207 mm
Da max. - 198 mm
ra max. - 1 mm
Weight - 2,79 Kg
Basic dynamic load rating (C) - 136 kN
Basic static load rating (C0) - 530 kN
(Grease) Lubrication Speed - 1100 r/min
(Oil) Lubrication Speed - 1700 r/min