HOME >> Services >> Partners >> NSK Bearing
FAG Bearing
IKO Bearing
INA Bearing
KOYO Bearing
NACHI Bearing
NSK Bearing
NTN Bearing
SKF Bearing
TIMKEN Bearing

Bearing number : 51206
Size (mm) : 30x52x16
Brand : NSK
Bore Diameter (mm) : 30
Outer Diameter (mm) : 52
Width (mm) : 16
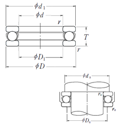
d - 30 mm
D - 52 mm
T - 16 mm
d1 - 52 mm
r min. - 0,6 mm
D1 - 32 mm
da min. - 43 mm
Da max. - 39 mm
ra max. - 0,6 mm
Weight - 0,137 Kg
Basic dynamic load rating (C) - 29,5 kN
Basic static load rating (C0) - 58 kN
(Grease) Lubrication Speed - 3400 r/min
(Oil) Lubrication Speed - 5300 r/min