HOME >> Services >> Partners >> NSK Bearing
FAG Bearing
IKO Bearing
INA Bearing
KOYO Bearing
NACHI Bearing
NSK Bearing
NTN Bearing
SKF Bearing
TIMKEN Bearing

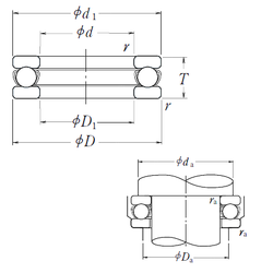
Bearing number : 51228X
Size (mm) : 140x200x46
Brand : NSK
Bore Diameter (mm) : 140
Outer Diameter (mm) : 200
Width (mm) : 46
d - 140 mm
D - 200 mm
T - 46 mm
d1 - 197 mm
r min. - 1,5 mm
D1 - 143 mm
da min. - 176 mm
Da max. - 164 mm
ra max. - 1,5 mm
Weight - 4,3 Kg
Basic dynamic load rating (C) - 186 kN
Basic static load rating (C0) - 575 kN
(Grease) Lubrication Speed - 1000 r/min
(Oil) Lubrication Speed - 1500 r/min