HOME >> Services >> Partners >> NSK Bearing
FAG Bearing
IKO Bearing
INA Bearing
KOYO Bearing
NACHI Bearing
NSK Bearing
NTN Bearing
SKF Bearing
TIMKEN Bearing

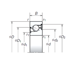
Bearing number : 25TAC62BDDG
Size (mm) : 25x62x15
Brand : NSK
Bore Diameter (mm) : 25
Outer Diameter (mm) : 62
Width (mm) : 15
d - 25 mm
D - 62 mm
B - 15 mm
C - 15 mm
Angle (α) - 60 °
d1 - 34,3 mm
d2 - 40,5 mm
r min. - 1 mm
r1 min. - 0,6 mm
D1 - 46,5 mm
D2 - 52,9 mm
Weight - 0,252 Kg
(Grease) Lubrication Speed - 4 500 r/min