HOME >> Services >> Partners >> KOYO Bearing
FAG Bearing
IKO Bearing
INA Bearing
KOYO Bearing
NACHI Bearing
NSK Bearing
NTN Bearing
SKF Bearing
TIMKEN Bearing

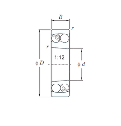
Bearing number : 1316K
Size (mm) : 80x170x39
Brand : KOYO
Bore Diameter (mm) : 80
Outer Diameter (mm) : 170
Width (mm) : 39
d - 80 mm
D - 170 mm
B - 39 mm
C - 39 mm
r min. - 2.1 mm
da min. - 91 mm
Da max. - 159 mm
ra max. - 2 mm
Weight - 4.12 Kg
Basic dynamic load rating (C) - 88.1 kN
Basic static load rating (C0) - 33.1 kN
(Grease) Lubrication Speed - 3500 r/min
(Oil) Lubrication Speed - 4300 r/min
Calculation factor (e) - 0.22
Calculation factor (Y0) - 3.04
Calculation factor (Y1) - 2.90
Calculation factor (Y2) - 4.49