HOME >> Services >> Partners >> KOYO Bearing
FAG Bearing
IKO Bearing
INA Bearing
KOYO Bearing
NACHI Bearing
NSK Bearing
NTN Bearing
SKF Bearing
TIMKEN Bearing

Bearing number : 14116/14274
Size (mm) : 30.226x69.012x19.845
Brand : KOYO
Bore Diameter (mm) : 30,226
Outer Diameter (mm) : 69,012
Width (mm) : 19,845
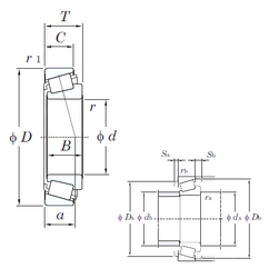
d - 30,226 mm
D - 69,012 mm
T - 19,845 mm
B - 19,583 mm
C - 15,875 mm
a - 15,5 mm
r min. - 0,8 mm
r2 min. - 3,2 mm
da min. - 37 mm
Da - 59 mm
db min - 36,5 mm
ra max. - 0,8 mm
rb max. - 3,2 mm
Db - 63 mm
Weight - 0,357 Kg
Basic dynamic load rating (C) - 46,1 kN
Basic static load rating (C0) - 55 kN
(Grease) Lubrication Speed - 5900 r/min
(Oil) Lubrication Speed - 7800 r/min
Calculation factor (e) - 0,38
Calculation factor (Y0) - 0,86
Calculation factor (Y1) - 1,57
Tags : KOYO , 30.226x69.012x19.845