HOME >> Services >> Partners >> KOYO Bearing
FAG Bearing
IKO Bearing
INA Bearing
KOYO Bearing
NACHI Bearing
NSK Bearing
NTN Bearing
SKF Bearing
TIMKEN Bearing

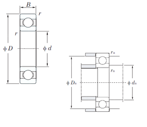
Bearing number : 16015
Size (mm) : 75x115x13
Brand : KOYO
Bore Diameter (mm) : 75
Outer Diameter (mm) : 115
Width (mm) : 13
d - 75 mm
D - 115 mm
B - 13 mm
C - 13 mm
r min. - 0,6 mm
da min. - 79 mm
Da max. - 111 mm
ra max. - 0,6 mm
Weight - 0,457 Kg
Basic dynamic load rating (C) - 27,5 kN
Basic static load rating (C0) - 25,3 kN
(Grease) Lubrication Speed - 5700 r/min
(Oil) Lubrication Speed - 6700 r/min
Calculation factor (f0) - 16,4
Tags : KOYO , 75x115x13