HOME >> Services >> Partners >> KOYO Bearing
FAG Bearing
IKO Bearing
INA Bearing
KOYO Bearing
NACHI Bearing
NSK Bearing
NTN Bearing
SKF Bearing
TIMKEN Bearing

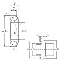
Bearing number : 18590/18520
Size (mm) : 41.275x73.025x16.667
Brand : KOYO
Bore Diameter (mm) : 41,275
Outer Diameter (mm) : 73,025
Width (mm) : 16,667
d - 41,275 mm
D - 73,025 mm
T - 16,667 mm
B - 17,462 mm
C - 12,7 mm
a - 14,5 mm
r min. - 3,6 mm
r2 min. - 1,6 mm
da min. - 53 mm
Da - 66 mm
db min - 46 mm
ra max. - 3,6 mm
rb max. - 1,6 mm
Db - 69 mm
Weight - 0,284 Kg
Basic dynamic load rating (C) - 45,9 kN
Basic static load rating (C0) - 55,8 kN
(Grease) Lubrication Speed - 5200 r/min
(Oil) Lubrication Speed - 6900 r/min
Calculation factor (e) - 0,35
Calculation factor (Y0) - 0,94
Calculation factor (Y1) - 1,71
Tags : KOYO , 41.275x73.025x16.667