HOME >> Services >> Partners >> KOYO Bearing
FAG Bearing
IKO Bearing
INA Bearing
KOYO Bearing
NACHI Bearing
NSK Bearing
NTN Bearing
SKF Bearing
TIMKEN Bearing

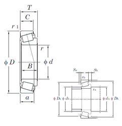
Bearing number : 3767/3730
Brand : KOYO
Bore Diameter (mm) : 52,388
Width (mm) : 30,302
d - 52,388 mm
T - 30,162 mm
B - 30,302 mm
C - 23,812 mm
a - 22,2 mm
r min. - 2,4 mm
r1 min. - 0,8 mm
Da - 84 mm
db - 59 mm
da - 63 mm
Db - 88 mm
Basic dynamic load rating (C) - 103 kN
Basic static load rating (C0) - 137 kN
Calculation factor (e) - 0,34
Calculation factor (Y0) - 0,97
Calculation factor (Y1) - 1,77
Tags : KOYO