HOME >> Services >> Partners >> KOYO Bearing
FAG Bearing
IKO Bearing
INA Bearing
KOYO Bearing
NACHI Bearing
NSK Bearing
NTN Bearing
SKF Bearing
TIMKEN Bearing

Bearing number : 33218JR
Size (mm) : 90x160x55
Brand : KOYO
Bore Diameter (mm) : 90
Outer Diameter (mm) : 160
Width (mm) : 55
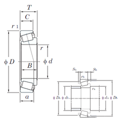
d - 90 mm
D - 160 mm
T - 55 mm
B - 55 mm
C - 42 mm
a - 40,8 mm
r min. - 2,5 mm
r2 min. - 2 mm
da min. - 102 mm
da max - 101 mm
Da min - 135 mm
Da max. - 150 mm
Db min. - 154 mm
ra max. - 2 mm
rb max. - 2 mm
Weight - 4,76 Kg
Basic dynamic load rating (C) - 343 kN
Basic static load rating (C0) - 527 kN
(Grease) Lubrication Speed - 2400 r/min
(Oil) Lubrication Speed - 3200 r/min
Calculation factor (e) - 0,42
Calculation factor (Y0) - 0,78
Calculation factor (Y1) - 1,43
Tags : KOYO , 90x160x55