HOME >> Services >> Partners >> KOYO Bearing
FAG Bearing
IKO Bearing
INA Bearing
KOYO Bearing
NACHI Bearing
NSK Bearing
NTN Bearing
SKF Bearing
TIMKEN Bearing

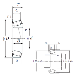
Bearing number : 3378/3320
Brand : KOYO
Bore Diameter (mm) : 36,487
Width (mm) : 30,391
d - 36,487 mm
T - 29,37 mm
B - 30,391 mm
C - 23,812 mm
a - 18,7 mm
r min. - 3,6 mm
r1 min. - 3,2 mm
Da - 70 mm
db - 44,5 mm
da - 49 mm
Db - 75 mm
Basic dynamic load rating (C) - 91 kN
Basic static load rating (C0) - 106 kN
Calculation factor (e) - 0,27
Calculation factor (Y0) - 1,21
Calculation factor (Y1) - 2,2
Tags : KOYO