HOME >> Services >> Partners >> KOYO Bearing
FAG Bearing
IKO Bearing
INA Bearing
KOYO Bearing
NACHI Bearing
NSK Bearing
NTN Bearing
SKF Bearing
TIMKEN Bearing

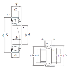
Bearing number : 338/332
Brand : KOYO
Bore Diameter (mm) : 25,4
Width (mm) : 22,403
d - 25,4 mm
T - 21 mm
B - 22,403 mm
C - 17,826 mm
a - 15,1 mm
r min. - 0,8 mm
r1 min. - 1,2 mm
Da - 73 mm
db - 35 mm
da - 36,5 mm
Db - 75 mm
Basic dynamic load rating (C) - 68 kN
Basic static load rating (C0) - 74,8 kN
Calculation factor (e) - 0,27
Calculation factor (Y0) - 1,21
Calculation factor (Y1) - 2,2
Tags : KOYO