HOME >> Services >> Partners >> KOYO Bearing
FAG Bearing
IKO Bearing
INA Bearing
KOYO Bearing
NACHI Bearing
NSK Bearing
NTN Bearing
SKF Bearing
TIMKEN Bearing

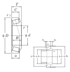
Bearing number : 3383/3328
Brand : KOYO
Bore Diameter (mm) : 41,275
Width (mm) : 30,391
d - 41,275 mm
T - 29,37 mm
B - 30,391 mm
C - 23,812 mm
a - 18,7 mm
r min. - 3,6 mm
r1 min. - 3,2 mm
Da - 72 mm
db - 46 mm
da - 52 mm
Db - 76 mm
Basic dynamic load rating (C) - 91 kN
Basic static load rating (C0) - 106 kN
Calculation factor (e) - 0,27
Calculation factor (Y0) - 1,21
Calculation factor (Y1) - 2,2
Tags : KOYO