HOME >> Services >> Partners >> KOYO Bearing
FAG Bearing
IKO Bearing
INA Bearing
KOYO Bearing
NACHI Bearing
NSK Bearing
NTN Bearing
SKF Bearing
TIMKEN Bearing

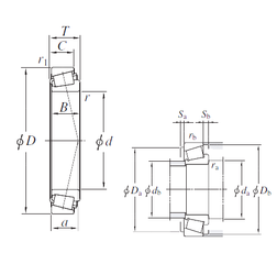
Bearing number : 32928JR
Size (mm) : 140x190x32
Brand : KOYO
Bore Diameter (mm) : 140
Outer Diameter (mm) : 190
Width (mm) : 32
d - 140 mm
D - 190 mm
T - 32 mm
B - 32 mm
C - 25 mm
a - 33,6 mm
r min. - 2 mm
r1 min. - 1,5 mm
r2 min. - 1,5 mm
da min. - 150 mm
da max - 150 mm
Da min - 174 mm
Da max. - 181 mm
db max. - 150 mm
Db min. - 184 mm
ra max. - 2 mm
rb max. - 1,5 mm
Db - 184 mm
Weight - 2,57 Kg
Basic dynamic load rating (C) - 206 kN
Basic static load rating (C0) - 390 kN
(Grease) Lubrication Speed - 1800 r/min
(Oil) Lubrication Speed - 2300 r/min
Calculation factor (e) - 0,36
Calculation factor (Y0) - 0,92
Calculation factor (Y1) - 1,67
Tags : KOYO , 140x190x32