HOME >> Services >> Partners >> KOYO Bearing
FAG Bearing
IKO Bearing
INA Bearing
KOYO Bearing
NACHI Bearing
NSK Bearing
NTN Bearing
SKF Bearing
TIMKEN Bearing

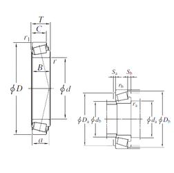
Bearing number : 32932JR
Size (mm) : 160x220x38
Brand : KOYO
Bore Diameter (mm) : 160
Outer Diameter (mm) : 220
Width (mm) : 38
d - 160 mm
D - 220 mm
T - 38 mm
B - 38 mm
C - 30 mm
a - 38,4 mm
r min. - 2,5 mm
r1 min. - 2 mm
r2 min. - 2 mm
da min. - 172 mm
da max - 173 mm
Da min - 204 mm
Da max. - 210 mm
db max. - 173 mm
Db min. - 212 mm
ra max. - 2 mm
rb max. - 2 mm
Db - 212 mm
Weight - 4,19 Kg
Basic dynamic load rating (C) - 295 kN
Basic static load rating (C0) - 568 kN
(Grease) Lubrication Speed - 1500 r/min
(Oil) Lubrication Speed - 2000 r/min
Calculation factor (e) - 0,35
Calculation factor (Y0) - 0,95
Calculation factor (Y1) - 1,73
Tags : KOYO , 160x220x38