HOME >> Services >> Partners >> KOYO Bearing
FAG Bearing
IKO Bearing
INA Bearing
KOYO Bearing
NACHI Bearing
NSK Bearing
NTN Bearing
SKF Bearing
TIMKEN Bearing

Bearing number : 33016JR
Size (mm) : 80x125x36
Brand : KOYO
Bore Diameter (mm) : 80
Outer Diameter (mm) : 125
Width (mm) : 36
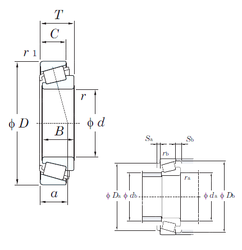
d - 80 mm
D - 125 mm
T - 36 mm
B - 36 mm
C - 29,5 mm
a - 25,1 mm
r min. - 1,5 mm
r2 min. - 1,5 mm
da min. - 88,5 mm
da max - 90 mm
Da min - 112 mm
Da max. - 116,5 mm
Db min. - 119 mm
ra max. - 1,5 mm
rb max. - 1,5 mm
Weight - 1,63 Kg
Basic dynamic load rating (C) - 173 kN
Basic static load rating (C0) - 288 kN
(Grease) Lubrication Speed - 2900 r/min
(Oil) Lubrication Speed - 3900 r/min
Calculation factor (e) - 0,28
Calculation factor (Y0) - 1,19
Calculation factor (Y1) - 2,16
Tags : KOYO , 80x125x36