HOME >> Services >> Partners >> KOYO Bearing
FAG Bearing
IKO Bearing
INA Bearing
KOYO Bearing
NACHI Bearing
NSK Bearing
NTN Bearing
SKF Bearing
TIMKEN Bearing

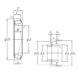
Bearing number : 33021JR
Size (mm) : 105x160x43
Brand : KOYO
Bore Diameter (mm) : 105
Outer Diameter (mm) : 160
Width (mm) : 43
d - 105 mm
D - 160 mm
T - 43 mm
B - 43 mm
C - 34 mm
a - 30,9 mm
r min. - 2,5 mm
r1 min. - 2 mm
r2 min. - 2 mm
da min. - 117 mm
da max - 116 mm
Da min - 145 mm
Da max. - 150 mm
db max. - 116 mm
Db min. - 153 mm
ra max. - 2 mm
rb max. - 2 mm
Db - 153 mm
Weight - 3,08 Kg
Basic dynamic load rating (C) - 267 kN
Basic static load rating (C0) - 461 kN
(Grease) Lubrication Speed - 2200 r/min
(Oil) Lubrication Speed - 3000 r/min
Calculation factor (e) - 0,28
Calculation factor (Y0) - 1,17
Calculation factor (Y1) - 2,12
Tags : KOYO , 105x160x43