HOME >> Services >> Partners >> KOYO Bearing
FAG Bearing
IKO Bearing
INA Bearing
KOYO Bearing
NACHI Bearing
NSK Bearing
NTN Bearing
SKF Bearing
TIMKEN Bearing

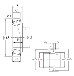
Bearing number : 32215CR
Size (mm) : 75x130x33.25
Brand : KOYO
Bore Diameter (mm) : 75
Outer Diameter (mm) : 130
Width (mm) : 33,25
d - 75 mm
D - 130 mm
T - 33,25 mm
B - 31 mm
C - 24 mm
a - 33,7 mm
r min. - 2 mm
r2 min. - 1,5 mm
da min. - 85 mm
da max - 85 mm
Da min - 109 mm
Da max. - 121,5 mm
Db min. - 125 mm
ra max. - 2 mm
rb max. - 1,5 mm
Weight - 1,75 Kg
Basic dynamic load rating (C) - 163 kN
Basic static load rating (C0) - 225 kN
(Grease) Lubrication Speed - 2900 r/min
(Oil) Lubrication Speed - 3900 r/min
Calculation factor (e) - 0,55
Calculation factor (Y0) - 0,6
Calculation factor (Y1) - 1,1
Tags : KOYO , 75x130x33.25