HOME >> Services >> Partners >> KOYO Bearing
FAG Bearing
IKO Bearing
INA Bearing
KOYO Bearing
NACHI Bearing
NSK Bearing
NTN Bearing
SKF Bearing
TIMKEN Bearing

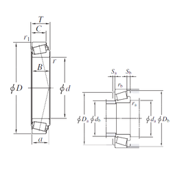
Bearing number : 32240JR
Size (mm) : 200x360x104
Brand : KOYO
Bore Diameter (mm) : 200
Outer Diameter (mm) : 360
Width (mm) : 104
d - 200 mm
D - 360 mm
T - 104 mm
B - 98 mm
C - 82 mm
a - 84,6 mm
r min. - 5 mm
r1 min. - 4 mm
r2 min. - 4 mm
da min. - 222 mm
da max - 225 mm
Da min - 302 mm
Da max. - 342 mm
db max. - 225 mm
Db min. - 340 mm
ra max. - 4 mm
rb max. - 3 mm
Db - 340 mm
Weight - 44,2 Kg
Basic dynamic load rating (C) - 1240 kN
Basic static load rating (C0) - 1880 kN
(Grease) Lubrication Speed - 960 r/min
(Oil) Lubrication Speed - 1300 r/min
Calculation factor (e) - 0,41
Calculation factor (Y0) - 0,81
Calculation factor (Y1) - 1,48
Tags : KOYO , 200x360x104