HOME >> Services >> Partners >> KOYO Bearing
FAG Bearing
IKO Bearing
INA Bearing
KOYO Bearing
NACHI Bearing
NSK Bearing
NTN Bearing
SKF Bearing
TIMKEN Bearing

Bearing number : 32332
Size (mm) : 160x340x121
Brand : KOYO
Bore Diameter (mm) : 160
Outer Diameter (mm) : 340
Width (mm) : 121
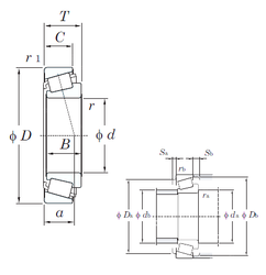
d - 160 mm
D - 340 mm
T - 121 mm
B - 114 mm
C - 95 mm
a - 83 mm
r min. - 5 mm
r2 min. - 4 mm
da min. - 182 mm
da max - 200 mm
Da min - 277 mm
Da max. - 322 mm
Db min. - 316 mm
ra max. - 4 mm
rb max. - 3 mm
Weight - 47,9 Kg
Basic dynamic load rating (C) - 1220 kN
Basic static load rating (C0) - 1720 kN
(Grease) Lubrication Speed - 1100 r/min
(Oil) Lubrication Speed - 1400 r/min
Calculation factor (e) - 0,35
Calculation factor (Y0) - 0,95
Calculation factor (Y1) - 1,73
Tags : KOYO , 160x340x121