HOME >> Services >> Partners >> KOYO Bearing
FAG Bearing
IKO Bearing
INA Bearing
KOYO Bearing
NACHI Bearing
NSK Bearing
NTN Bearing
SKF Bearing
TIMKEN Bearing

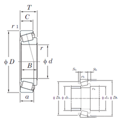
Bearing number : 31593/31521
Brand : KOYO
Bore Diameter (mm) : 34,925
Width (mm) : 28,575
d - 34,925 mm
T - 29,37 mm
B - 28,575 mm
C - 23,812 mm
a - 21,6 mm
r min. - 3,6 mm
r1 min. - 1,2 mm
Da - 66 mm
db - 43,5 mm
da - 50 mm
Db - 72 mm
Basic dynamic load rating (C) - 80,9 kN
Basic static load rating (C0) - 97,4 kN
Calculation factor (e) - 0,4
Calculation factor (Y0) - 0,82
Calculation factor (Y1) - 1,49