HOME >> Services >> Partners >> KOYO Bearing
FAG Bearing
IKO Bearing
INA Bearing
KOYO Bearing
NACHI Bearing
NSK Bearing
NTN Bearing
SKF Bearing
TIMKEN Bearing

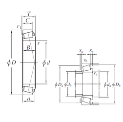
Bearing number : 32028JR
Size (mm) : 140x210x45
Brand : KOYO
Bore Diameter (mm) : 140
Outer Diameter (mm) : 210
Width (mm) : 45
d - 140 mm
D - 210 mm
T - 45 mm
B - 45 mm
C - 34 mm
a - 45,6 mm
r min. - 2,5 mm
r1 min. - 2 mm
r2 min. - 2 mm
da min. - 152 mm
da max - 153 mm
Da min - 187 mm
Da max. - 200 mm
db max. - 153 mm
Db min. - 202 mm
ra max. - 2 mm
rb max. - 2 mm
Db - 202 mm
Weight - 5,28 Kg
Basic dynamic load rating (C) - 346 kN
Basic static load rating (C0) - 585 kN
(Grease) Lubrication Speed - 1700 r/min
(Oil) Lubrication Speed - 2200 r/min
Calculation factor (e) - 0,46
Calculation factor (Y0) - 0,72
Calculation factor (Y1) - 1,31
Tags : KOYO , 140x210x45