HOME >> Services >> Partners >> KOYO Bearing
FAG Bearing
IKO Bearing
INA Bearing
KOYO Bearing
NACHI Bearing
NSK Bearing
NTN Bearing
SKF Bearing
TIMKEN Bearing

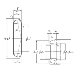
Bearing number : 32040JR
Size (mm) : 200x310x70
Brand : KOYO
Bore Diameter (mm) : 200
Outer Diameter (mm) : 310
Width (mm) : 70
d - 200 mm
D - 310 mm
T - 70 mm
B - 70 mm
C - 53 mm
a - 66,9 mm
r min. - 3 mm
r1 min. - 2,5 mm
r2 min. - 2,5 mm
da min. - 214 mm
da max - 221 mm
Da min - 273 mm
Da max. - 298 mm
db max. - 221 mm
Db min. - 297 mm
ra max. - 2,5 mm
rb max. - 2 mm
Db - 297 mm
Weight - 19,1 Kg
Basic dynamic load rating (C) - 755 kN
Basic static load rating (C0) - 1340 kN
(Grease) Lubrication Speed - 1100 r/min
(Oil) Lubrication Speed - 1400 r/min
Calculation factor (e) - 0,43
Calculation factor (Y0) - 0,77
Calculation factor (Y1) - 1,39