HOME >> Services >> Partners >> KOYO Bearing
FAG Bearing
IKO Bearing
INA Bearing
KOYO Bearing
NACHI Bearing
NSK Bearing
NTN Bearing
SKF Bearing
TIMKEN Bearing

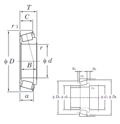
Bearing number : 30322
Size (mm) : 110x240x54.5
Brand : KOYO
Bore Diameter (mm) : 110
Outer Diameter (mm) : 240
Width (mm) : 54,5
d - 110 mm
D - 240 mm
T - 54,5 mm
B - 50 mm
C - 42 mm
a - 44,8 mm
r min. - 4 mm
r2 min. - 3 mm
da min. - 128 mm
da max - 141 mm
Da min - 206 mm
Da max. - 226 mm
Db min. - 222 mm
ra max. - 3 mm
rb max. - 2,5 mm
Weight - 10,4 Kg
Basic dynamic load rating (C) - 407 kN
Basic static load rating (C0) - 475 kN
(Grease) Lubrication Speed - 1600 r/min
(Oil) Lubrication Speed - 2100 r/min
Calculation factor (e) - 0,35
Calculation factor (Y0) - 0,95
Calculation factor (Y1) - 1,73
Tags : KOYO , 110x240x54.5