HOME >> Services >> Partners >> KOYO Bearing
FAG Bearing
IKO Bearing
INA Bearing
KOYO Bearing
NACHI Bearing
NSK Bearing
NTN Bearing
SKF Bearing
TIMKEN Bearing

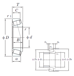
Bearing number : 31322JR
Size (mm) : 110x240x63
Brand : KOYO
Bore Diameter (mm) : 110
Outer Diameter (mm) : 240
Width (mm) : 63
d - 110 mm
D - 240 mm
T - 63 mm
B - 57 mm
C - 38 mm
a - 76,2 mm
r min. - 4 mm
r2 min. - 3 mm
da min. - 128 mm
da max - 135 mm
Da min - 205 mm
Da max. - 226 mm
Db min. - 224 mm
ra max. - 3 mm
rb max. - 2,5 mm
Weight - 12,2 Kg
Basic dynamic load rating (C) - 452 kN
Basic static load rating (C0) - 563 kN
(Grease) Lubrication Speed - 1400 r/min
(Oil) Lubrication Speed - 1900 r/min
Calculation factor (e) - 0,83
Calculation factor (Y0) - 0,4
Calculation factor (Y1) - 0,73
Tags : KOYO , 110x240x63