HOME >> Services >> Partners >> KOYO Bearing
FAG Bearing
IKO Bearing
INA Bearing
KOYO Bearing
NACHI Bearing
NSK Bearing
NTN Bearing
SKF Bearing
TIMKEN Bearing

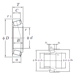
Bearing number : 30213JR
Size (mm) : 65x120x24.75
Brand : KOYO
Bore Diameter (mm) : 65
Outer Diameter (mm) : 120
Width (mm) : 24,75
d - 65 mm
D - 120 mm
T - 24,75 mm
B - 23 mm
C - 20 mm
a - 24,2 mm
r min. - 2 mm
r2 min. - 1,5 mm
da min. - 75 mm
da max - 77 mm
Da min - 106 mm
Da max. - 110 mm
Db min. - 113 mm
ra max. - 2 mm
rb max. - 1,5 mm
Weight - 1,18 Kg
Basic dynamic load rating (C) - 128 kN
Basic static load rating (C0) - 156 kN
(Grease) Lubrication Speed - 3200 r/min
(Oil) Lubrication Speed - 4300 r/min
Calculation factor (e) - 0,4
Calculation factor (Y0) - 0,81
Calculation factor (Y1) - 1,48
Tags : KOYO , 65x120x24.75