HOME >> Services >> Partners >> KOYO Bearing
FAG Bearing
IKO Bearing
INA Bearing
KOYO Bearing
NACHI Bearing
NSK Bearing
NTN Bearing
SKF Bearing
TIMKEN Bearing

Bearing number : 30314CR
Size (mm) : 70x150x38
Brand : KOYO
Bore Diameter (mm) : 70
Outer Diameter (mm) : 150
Width (mm) : 38
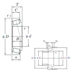
d - 70 mm
D - 150 mm
T - 38 mm
B - 35 mm
C - 30 mm
a - 37 mm
r min. - 3 mm
r2 min. - 2,5 mm
da min. - 84 mm
da max - 87 mm
Da min - 123 mm
Da max. - 138 mm
Db min. - 141 mm
ra max. - 2,5 mm
rb max. - 2 mm
Weight - 3,1 Kg
Basic dynamic load rating (C) - 224 kN
Basic static load rating (C0) - 256 kN
(Grease) Lubrication Speed - 2700 r/min
(Oil) Lubrication Speed - 3600 r/min
Calculation factor (e) - 0,55
Calculation factor (Y0) - 0,6
Calculation factor (Y1) - 1,1
Tags : KOYO , 70x150x38