HOME >> Services >> Partners >> KOYO Bearing
FAG Bearing
IKO Bearing
INA Bearing
KOYO Bearing
NACHI Bearing
NSK Bearing
NTN Bearing
SKF Bearing
TIMKEN Bearing

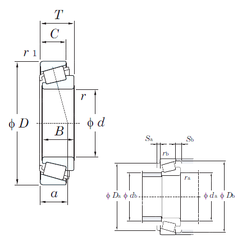
Bearing number : 30319JR
Size (mm) : 95x200x49.5
Brand : KOYO
Bore Diameter (mm) : 95
Outer Diameter (mm) : 200
Width (mm) : 49,5
d - 95 mm
D - 200 mm
T - 49,5 mm
B - 45 mm
C - 38 mm
a - 40,8 mm
r min. - 4 mm
r2 min. - 3 mm
da min. - 113 mm
da max - 118 mm
Da min - 172 mm
Da max. - 186 mm
Db min. - 186 mm
ra max. - 3 mm
rb max. - 2,5 mm
Weight - 6,96 Kg
Basic dynamic load rating (C) - 372 kN
Basic static load rating (C0) - 455 kN
(Grease) Lubrication Speed - 2000 r/min
(Oil) Lubrication Speed - 2600 r/min
Calculation factor (e) - 0,35
Calculation factor (Y0) - 0,96
Calculation factor (Y1) - 1,74
Tags : KOYO , 95x200x49.5