
Axial angular contact roller bearing 29336
Bearing number : 29336
Size (mm) : 180x300x73
Brand : KOYO
Bore Diameter (mm) : 180
Outer Diameter (mm) : 300
Width (mm) : 73
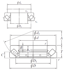
Bearing dimensions and specification in KOYO catalogue:
d - 180 mm
D - 300 mm
T - 73 mm
d1 - 290 mm
r min. - 3 mm
A - 103 mm
B - 25 mm
B1 - 69 mm
C - 35 mm
D1 - 232 mm
da min. - 235 mm
Da max. - 260 mm
ra max. - 25 mm
Weight - 207 Kg
Basic dynamic load rating (C) - 896 kN
Basic static load rating (C0) - 3170 kN
Tags : KOYO , 180x300x73

FAG Bearing
IKO Bearing
INA Bearing
KOYO Bearing
NACHI Bearing
NSK Bearing
NTN Bearing
SKF Bearing
TIMKEN Bearing