
Axial angular contact roller bearings 29420R
Bearing number : 29420R
Size (mm) : 100x210x67
Brand : KOYO
Bore Diameter (mm) : 100
Outer Diameter (mm) : 210
Width (mm) : 67
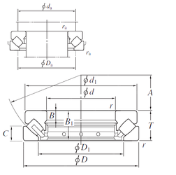
Bearing dimensions and specification in KOYO catalogue:
d - 100 mm
D - 210 mm
T - 67 mm
d1 - 200 mm
r min. - 3 mm
A - 62 mm
B - 24 mm
B1 - 64 mm
C - 32 mm
D1 - 146 mm
da min. - 150 mm
Da max. - 175 mm
ra max. - 25 mm
Weight - 112 Kg
Basic dynamic load rating (C) - 730 kN
Basic static load rating (C0) - 2220 kN

FAG Bearing
IKO Bearing
INA Bearing
KOYO Bearing
NACHI Bearing
NSK Bearing
NTN Bearing
SKF Bearing
TIMKEN Bearing