HOME >> Services >> Partners >> KOYO Bearing
FAG Bearing
IKO Bearing
INA Bearing
KOYO Bearing
NACHI Bearing
NSK Bearing
NTN Bearing
SKF Bearing
TIMKEN Bearing

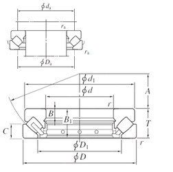
Bearing number : 29426R
Size (mm) : 130x270x85
Brand : KOYO
Bore Diameter (mm) : 130
Outer Diameter (mm) : 270
Width (mm) : 85
d - 130 mm
D - 270 mm
T - 85 mm
d1 - 255 mm
r min. - 4 mm
A - 81 mm
B - 31 mm
B1 - 81 mm
C - 41 mm
D1 - 189 mm
da min. - 195 mm
Da max. - 225 mm
ra max. - 3 mm
Weight - 235 Kg
Basic dynamic load rating (C) - 1200 kN
Basic static load rating (C0) - 3870 kN