HOME >> Services >> Partners >> KOYO Bearing
FAG Bearing
IKO Bearing
INA Bearing
KOYO Bearing
NACHI Bearing
NSK Bearing
NTN Bearing
SKF Bearing
TIMKEN Bearing

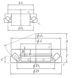
Bearing number : 29430R
Size (mm) : 150x300x90
Brand : KOYO
Bore Diameter (mm) : 150
Outer Diameter (mm) : 300
Width (mm) : 90
d - 150 mm
D - 300 mm
T - 90 mm
d1 - 285 mm
r min. - 4 mm
A - 92 mm
B - 32 mm
B1 - 86 mm
C - 44 mm
D1 - 214 mm
da min. - 220 mm
Da max. - 250 mm
ra max. - 3 mm
Weight - 296 Kg
Basic dynamic load rating (C) - 1380 kN
Basic static load rating (C0) - 4620 kN