HOME >> Services >> Partners >> KOYO Bearing
FAG Bearing
IKO Bearing
INA Bearing
KOYO Bearing
NACHI Bearing
NSK Bearing
NTN Bearing
SKF Bearing
TIMKEN Bearing

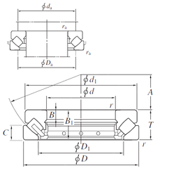
Bearing number : 29438R
Size (mm) : 190x380x115
Brand : KOYO
Bore Diameter (mm) : 190
Outer Diameter (mm) : 380
Width (mm) : 115
d - 190 mm
D - 380 mm
T - 115 mm
d1 - 360 mm
r min. - 5 mm
A - 117 mm
B - 41 mm
B1 - 111 mm
C - 55 mm
D1 - 271 mm
da min. - 275 mm
Da max. - 320 mm
ra max. - 4 mm
Weight - 614 Kg
Basic dynamic load rating (C) - 2230 kN
Basic static load rating (C0) - 7690 kN