HOME >> Services >> Partners >> KOYO Bearing
FAG Bearing
IKO Bearing
INA Bearing
KOYO Bearing
NACHI Bearing
NSK Bearing
NTN Bearing
SKF Bearing
TIMKEN Bearing

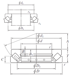
Bearing number : 29440R
Size (mm) : 200x400x122
Brand : KOYO
Bore Diameter (mm) : 200
Outer Diameter (mm) : 400
Width (mm) : 122
d - 200 mm
D - 400 mm
T - 122 mm
d1 - 380 mm
r min. - 5 mm
A - 122 mm
B - 43 mm
B1 - 117 mm
C - 59 mm
D1 - 286 mm
da min. - 290 mm
Da max. - 335 mm
ra max. - 4 mm
Weight - 730 Kg
Basic dynamic load rating (C) - 2460 kN
Basic static load rating (C0) - 8470 kN