HOME >> Services >> Partners >> KOYO Bearing
FAG Bearing
IKO Bearing
INA Bearing
KOYO Bearing
NACHI Bearing
NSK Bearing
NTN Bearing
SKF Bearing
TIMKEN Bearing

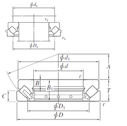
Bearing number : 29464R
Size (mm) : 320x580x155
Brand : KOYO
Bore Diameter (mm) : 320
Outer Diameter (mm) : 580
Width (mm) : 155
d - 320 mm
D - 580 mm
T - 155 mm
d1 - 555 mm
r min. - 75 mm
A - 191 mm
B - 55 mm
B1 - 149 mm
C - 75 mm
D1 - 435 mm
da min. - 435 mm
Da max. - 495 mm
ra max. - 6 mm
Weight - 179 Kg
Basic dynamic load rating (C) - 4160 kN
Basic static load rating (C0) - 16100 kN