HOME >> Services >> Partners >> KOYO Bearing
FAG Bearing
IKO Bearing
INA Bearing
KOYO Bearing
NACHI Bearing
NSK Bearing
NTN Bearing
SKF Bearing
TIMKEN Bearing

Bearing number : 302/22CR
Size (mm) : 22x50x15.25
Brand : KOYO
Bore Diameter (mm) : 22
Outer Diameter (mm) : 50
Width (mm) : 15,25
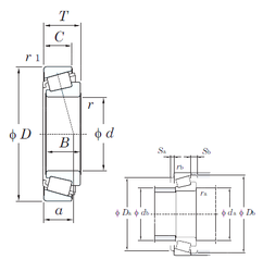
d - 22 mm
D - 50 mm
T - 15,25 mm
B - 14 mm
C - 12 mm
a - 13,9 mm
r min. - 1 mm
r2 min. - 1 mm
da min. - 27,5 mm
da max - 28 mm
Da min - 40 mm
Da max. - 44,5 mm
Db min. - 47 mm
ra max. - 1 mm
rb max. - 1 mm
Weight - 0,14 Kg
Basic dynamic load rating (C) - 29,2 kN
Basic static load rating (C0) - 28,6 kN
(Grease) Lubrication Speed - 8400 r/min
(Oil) Lubrication Speed - 11000 r/min
Calculation factor (e) - 0,55
Calculation factor (Y0) - 0,6
Calculation factor (Y1) - 1,1
Tags : KOYO , 22x50x15.25