HOME >> Services >> Partners >> KOYO Bearing
FAG Bearing
IKO Bearing
INA Bearing
KOYO Bearing
NACHI Bearing
NSK Bearing
NTN Bearing
SKF Bearing
TIMKEN Bearing

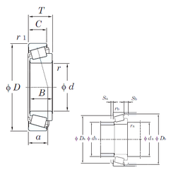
Bearing number : 30204JR
Size (mm) : 20x47x15.25
Brand : KOYO
Bore Diameter (mm) : 20
Outer Diameter (mm) : 47
Width (mm) : 15,25
d - 20 mm
D - 47 mm
T - 15,25 mm
B - 14 mm
C - 12 mm
a - 11,8 mm
r min. - 1 mm
r2 min. - 1 mm
da min. - 25,5 mm
da max - 27 mm
Da min - 39 mm
Da max. - 41,5 mm
Db min. - 44 mm
ra max. - 1 mm
rb max. - 1 mm
Weight - 0,127 Kg
Basic dynamic load rating (C) - 27 kN
Basic static load rating (C0) - 27,2 kN
(Grease) Lubrication Speed - 8700 r/min
(Oil) Lubrication Speed - 12000 r/min
Calculation factor (e) - 0,35
Calculation factor (Y0) - 0,96
Calculation factor (Y1) - 1,74
Tags : KOYO , 20x47x15.25