HOME >> Services >> Partners >> KOYO Bearing
FAG Bearing
IKO Bearing
INA Bearing
KOYO Bearing
NACHI Bearing
NSK Bearing
NTN Bearing
SKF Bearing
TIMKEN Bearing

Bearing number : 28682/28623
Brand : KOYO
Bore Diameter (mm) : 57,15
Width (mm) : 24,608
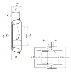
d - 57,15 mm
T - 24,608 mm
B - 24,608 mm
C - 19,446 mm
a - 21,2 mm
r min. - 3,6 mm
r1 min. - 0,8 mm
Da - 88 mm
db - 63 mm
da - 70 mm
Db - 93 mm
Basic dynamic load rating (C) - 89,6 kN
Basic static load rating (C0) - 131 kN
Calculation factor (e) - 0,4
Calculation factor (Y0) - 0,82
Calculation factor (Y1) - 1,49
Tags : KOYO