HOME >> Services >> Partners >> KOYO Bearing
FAG Bearing
IKO Bearing
INA Bearing
KOYO Bearing
NACHI Bearing
NSK Bearing
NTN Bearing
SKF Bearing
TIMKEN Bearing

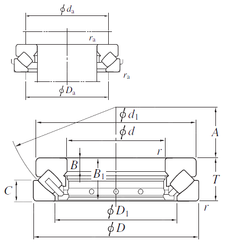
Bearing number : 29248
Size (mm) : 240x340x60
Brand : KOYO
Bore Diameter (mm) : 240
Outer Diameter (mm) : 340
Width (mm) : 60
d - 240 mm
D - 340 mm
T - 60 mm
d1 - 330 mm
r min. - 21 mm
A - 130 mm
B - 19 mm
B1 - 57 mm
C - 30 mm
D1 - 283 mm
da min. - 285 mm
Da max. - 305 mm
ra max. - 2 mm
Weight - 167 Kg
Basic dynamic load rating (C) - 822 kN
Basic static load rating (C0) - 3670 kN
Tags : KOYO , 240x340x60