HOME >> Services >> Partners >> KOYO Bearing
FAG Bearing
IKO Bearing
INA Bearing
KOYO Bearing
NACHI Bearing
NSK Bearing
NTN Bearing
SKF Bearing
TIMKEN Bearing

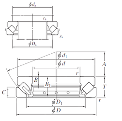
Bearing number : 29272
Size (mm) : 360x500x85
Brand : KOYO
Bore Diameter (mm) : 360
Outer Diameter (mm) : 500
Width (mm) : 85
d - 360 mm
D - 500 mm
T - 85 mm
d1 - 485 mm
r min. - 4 mm
A - 194 mm
B - 25 mm
B1 - 81 mm
C - 44 mm
D1 - 423 mm
da min. - 420 mm
Da max. - 455 mm
ra max. - 3 mm
Weight - 518 Kg
Basic dynamic load rating (C) - 1310 kN
Basic static load rating (C0) - 6080 kN
Tags : KOYO , 360x500x85