HOME >> Services >> Partners >> KOYO Bearing
FAG Bearing
IKO Bearing
INA Bearing
KOYO Bearing
NACHI Bearing
NSK Bearing
NTN Bearing
SKF Bearing
TIMKEN Bearing

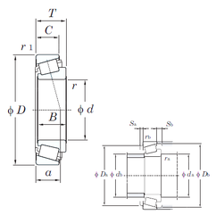
Bearing number : 25577/25521
Brand : KOYO
Bore Diameter (mm) : 42,875
Width (mm) : 25,4
d - 42,875 mm
T - 23,812 mm
B - 25,4 mm
C - 19,05 mm
a - 17,5 mm
r min. - 3,6 mm
r1 min. - 3,2 mm
Da - 72 mm
db - 49 mm
da - 55 mm
Db - 77 mm
Basic dynamic load rating (C) - 77,2 kN
Basic static load rating (C0) - 100 kN
Calculation factor (e) - 0,33
Calculation factor (Y0) - 0,99
Calculation factor (Y1) - 1,79
Tags : KOYO