HOME >> Services >> Partners >> KOYO Bearing
FAG Bearing
IKO Bearing
INA Bearing
KOYO Bearing
NACHI Bearing
NSK Bearing
NTN Bearing
SKF Bearing
TIMKEN Bearing

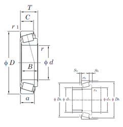
Bearing number : 25583/25520
Brand : KOYO
Bore Diameter (mm) : 44,45
Width (mm) : 35,878
d - 44,45 mm
T - 36,83 mm
B - 35,878 mm
C - 19,05 mm
a - 17,5 mm
r min.) - SP1 mm
r1 min. - 0,8 mm
Da - 74 mm
db - 51 mm
da - 59 mm
Db - 77 mm
Basic dynamic load rating (C) - 77,2 kN
Basic static load rating (C0) - 100 kN
Calculation factor (e) - 0,33
Calculation factor (Y0) - 0,99
Calculation factor (Y1) - 1,79
Tags : KOYO