HOME >> Services >> Partners >> KOYO Bearing
FAG Bearing
IKO Bearing
INA Bearing
KOYO Bearing
NACHI Bearing
NSK Bearing
NTN Bearing
SKF Bearing
TIMKEN Bearing

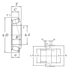
Bearing number : 25880R/25821
Size (mm) : 36.487x73.025x23.812
Brand : KOYO
Bore Diameter (mm) : 36,487
Outer Diameter (mm) : 73,025
Width (mm) : 23,812
d - 36,487 mm
D - 73,025 mm
T - 23,812 mm
B - 24,608 mm
C - 19,05 mm
a - 15,8 mm
r min. - 1,6 mm
r2 min. - 0,8 mm
da min. - 44 mm
Da - 65 mm
db min - 42 mm
ra max. - 1,6 mm
rb max. - 0,8 mm
Db - 68 mm
Weight - 0,459 Kg
Basic dynamic load rating (C) - 72,2 kN
Basic static load rating (C0) - 87,3 kN
(Grease) Lubrication Speed - 5600 r/min
(Oil) Lubrication Speed - 7400 r/min
Calculation factor (e) - 0,29
Calculation factor (Y0) - 1,14
Calculation factor (Y1) - 2,07
Tags : KOYO , 36.487x73.025x23.812